
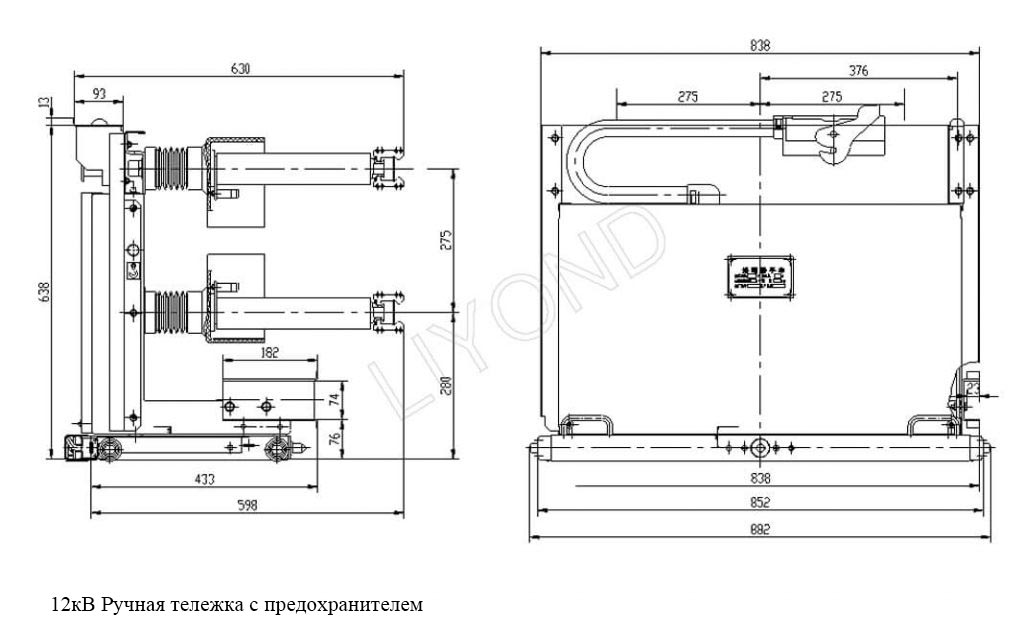
Ручная тележка с предохранителем представляет собой изолирующую ручную тележку с добавленным предохранителем. Обычно он используется в шкафах PT. Когда ток используемого трансформаторного шкафа меньше 5 А, его можно вытащить напрямую, без блокировки.
Для предотвращения работы блока ручной тележки под нагрузкой предохранитель оснащен блокирующим электромагнитом. Рабочее положение и испытательное положение ручной тележки фиксируются электромагнитным замком на специальном механизме движения, а для отображения положения предусмотрен надежный переключатель хода. Когда ручная тележка находится в тестовом или рабочем положении и на фиксирующий электромагнит не подается питание, невозможно будет выдвинуть или выйти из ручной тележки.
Ручная тележка предохранителя имеет композитную изоляционную конструкцию, изоляция обеспечивается воздухом, верхней и нижней изоляционными крышками и втулками контактного рычага.
Вам также могут быть интересны сопутствующие товары.
ЗАПРОССделайте свои проекты долговечными с помощью стабильной и высококачественной аппаратуры и компонентов от Liyond.