
Серия вакуумных контакторов CKG4-□/10FC предназначена для частого включения/отключения электродвигателей, трансформаторов, конденсаторных батарей и другого оборудования в сетях высокого напряжения. Широко применяется в распределительных установках, на предприятиях горнодобывающей и обрабатывающей промышленности.
Преимущества
1.Надежная дугогасительная вакуумная камера
2.Компактная конструкция, длительный срок службы
3.Высокая электрическая износостойкость
4.Подходит для частого включения и работы в условиях перегрузки
Области применения
Распределительные устройства и шкафы управления
Управление электродвигателями (особенно в горнодобывающей отрасли)
Переключение трансформаторов
Управление конденсаторными батареями
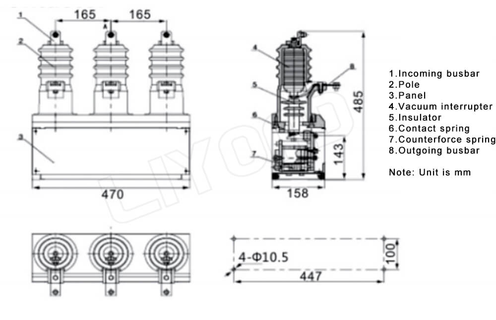
| Модель | CKG4-□/10FC |
| Номинальное рабочее напряжение (Ue) | 12 кВ |
| Номинальный ток (Ie) | 160A, 250A, 400A, 630A |
| Испытательное напряжение промышленной частоты | 42 кВ |
| Импульсное напряжение молнии | 75 кВ |
| Коммутационная износостойкость (размыкание) | 8Ie, 25 циклов |
| Коммутационная износостойкость (включение) | 10Ie, 100 циклов |
| Кратковременно допустимый ток (1 с) | (10Ie) 1.6кА, 2.5кА, 4кА, 6.3кА |
| Пиковый ток | (25Ie) 4кА, 6.3кА, 10кА, 16кА |
| Коммутация короткого замыкания | (10Ie) 0-180с-CO-180с-CO, 1 цикл |
| Ток перегрузки | (15Ie) 2.4кА, 3.8кА, 6кА, 10кА |
| Расстояние между разомкнутыми контактами | 5.5 ± 0.5 мм |
| Перепробег контакта | ≥1.5 мм |
| Синхронность включения | ≤2 мс |
| Механическая износостойкость | 500 000 циклов |
| Электрическая износостойкость (AC-3) | 250 000 циклов |
| Электрическая износостойкость (AC-4) | 100 000 циклов |
| Вес | 25 кг |
Мы здесь, чтобы помочь! Свяжитесь с нашей командой для получения экспертной поддержки и индивидуальных решений.
Вам также могут быть интересны сопутствующие товары.
ЗАПРОССделайте свои проекты долговечными с помощью стабильной и высококачественной аппаратуры и компонентов от Liyond.