
Инструкция по заказу:
Наименование продукции, модель и количество
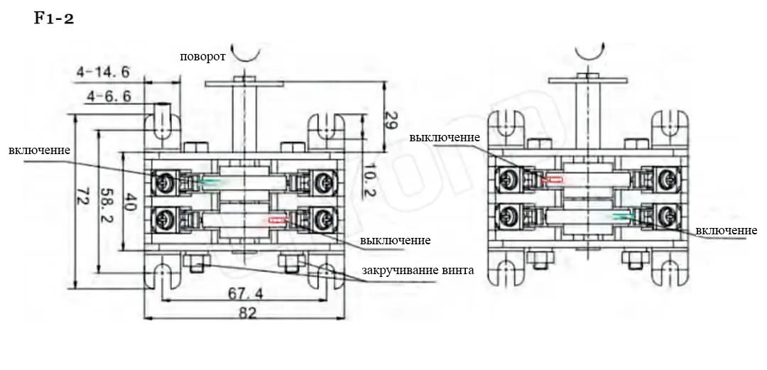
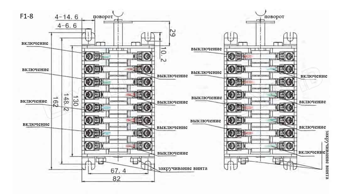
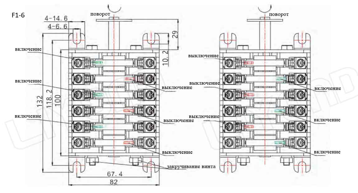
Укажите количество контактных пар и секций переключателя, тип и способ установки
Необходимость использования дополнительных аксессуаров для подключения
Если у вас есть особые требования, укажите их отдельно
Вам также могут быть интересны сопутствующие товары.
ЗАПРОССделайте свои проекты долговечными с помощью стабильной и высококачественной аппаратуры и компонентов от Liyond.